
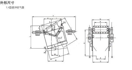
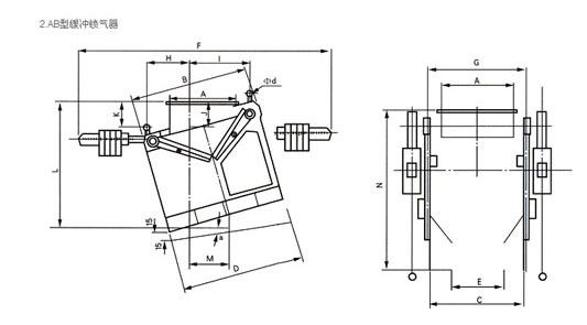
缓冲锁气器是输送设备的缓冲卸料设备,也被称作导向缓冲锁气器。缓冲锁气器能有效降低物料对各类输送机的直接冲撞,减小冲撞的力度延长输送设备的使用寿命,并具有锁气功能。
HS型缓冲锁气器工作原理:使下落速度 高的物料接受两 缓冲,均匀堆放在胶带上,利用物料堆高自封闭和浮动缓冲装置的气密性,达到特料畅通,减少诱导鼓风。系统空气含尘量大大减少。只需配用小容量的除尘器(2000-4000mm/n)。缓冲锁气漏斗与密封导料槽,导料槽中间挡帘配合使用,在保护环境卫生方面取得理想效果。
缓冲锁气器特点
1、保护胶带、托辊等设备,减少维修,防止撕带。
2、使物料均匀分布,防止跑偏和粘料,及沿途撒料。
3、减少诱导鼓风,可使其减到原来10%以下。
4、T型缓冲锁气器用于输送粘料、湿料、大块料,防止粘堵发生。
5、HS型缓冲锁气器可承受单重80kg物料12米高垂直自由下落的长期冲击,锁气率为90%HAS、H 、HSAB型为防堵型设备,不会堵塞。
6、优先采用HAS或HSAB型,当胶带为倒顺输送方式时应采用H 型,当斜落入导料槽高度不够时可采用HST型。
7、当工艺布置中定型的缓冲锁气器不能满足要求时,可与公司联系生产各种非标准的缓冲锁气器。








缓冲锁气器上部与落煤管下部法兰之间采用螺栓连接,法兰之间一般用油浸石棉绳衬垫.
缓冲锁气器按布置图就位后,在导料槽盖板上开孔.当缓冲锁气器喉管与导料槽盖板面之间交线尺寸为A*B时,开孔尺寸为A+30和B+30,缓冲锁气器喉管插入导料槽盖板20mm深,多余部分切除.如缓冲锁气器无喉管或喉管高时,应用厚度5mm钢板按实测尺寸和形状现场焊补空缺.喉管同导料槽盖板留孔边缘之间的 用45*5扁钢焊牢.
缓冲锁气器手柄钩的定位耳环应焊在皮带机托辊钢架上,并根据现场高度将起重链切短到合适的长度,使柄钩钩住耳环后锁气权为满开位置.
调节缓冲锁气器重锺位置达到10kg/m力矩作用下缓冲锅气器正好开动为止,并固定好重锺位置.